欢迎来到象山华洋机床附件厂
0086-574-65010069  0086-574-65012388
弹簧盖式油杯
  • 弹簧盖式油杯
  • 【产品名称】

    弹簧盖式油杯

    【产品型号】 HY8317.5
    【执行标准】 GB1157-89
    【产品材质】
    【表面处理】
    【生产厂家】 象山华洋机床附件厂

产品详情

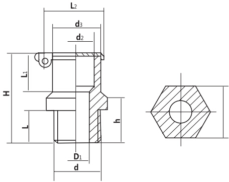
HY8317.5弹簧盖式油杯结构图

          


参数尺寸

产品编号主要尺寸

d

d1

d2

d3HhLL1L2S
HY8317.5\M6636101896815

10 0-0.22

HY8317.5\M8x1M8x14812241281017

13 0-0.27

HY8317.5\M10x1M10x1581224128101713 0-0.27


地址:浙江省象山县鹤浦镇蟹厂村 电话:0086-574-65010069  0086-574-65012388 传真:0086-574-65010213

版权所有 © 2010-2024 象山华洋机床附件厂 网站地图 XML 浙ICP备2022026501号-1